Jetta Radio Wiring

Jetta Radio Wiring. Web 2000 volkswagen jetta car radio wiring diagram. Web feel free to use any 2011 volkswagen jetta radio wire diagram that is listed here but keep in mind that all information here is provided as is without any warranty of any kind.

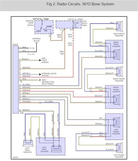
2006 Jetta Radio Wiring Diagram
2006 Jetta Radio Wiring Diagram from wirediagramomer101.z21.web.core.windows.net

Knowing your 2000 volkswagen jetta radio wire colors makes it easy to change your car stereo. It also shows you the car radio. Radio wiring diagram, with navigation without amplifier (1 of 2).

Web 2012 Vw Jetta Audio Wiring Radio Diagram Schematic Colors.


Web american international® aftermarket radio wiring harness with oem plug. Get access all wiring diagrams car. Web radio wiring diagram, with navigation, without amplifier (1 of 2) get access all wiring diagrams car.

Web Radio Wiring Diagram, With Navigation With Amplifier (3 Of 3) Get Access All Wiring Diagrams Car.


Radio wiring diagram, with navigation without amplifier (1 of 2). 2019 volkswagen jetta repair manual. Web need color coded factory radio wiring ok so i bought this 97 vw.

Car Radio Constant 12V+ Wire:


We created this page for people trying to find a. Web feel free to use any 2012 volkswagen jetta radio wire diagram that is listed here but keep in mind that all information here is provided as is without any warranty of any kind. How to repair or replace a ed broken door wiring.

Metra® Factory Replacement Wiring Harness With Euro Oem.


Web radio volkswagen jetta gl 2002 system wiring diagrams sheme ožičenja za avtomobile. Web feel free to use any 2001 volkswagen jetta radio wire diagram that is listed here but keep in mind that all information here is provided as is without any warranty of any kind. It also shows you the car radio.

Knowing Your 2000 Volkswagen Jetta Radio Wire Colors Makes It Easy To Change Your Car Stereo.


Barry l kramer s 2001. Web the 2015 vw jetta radio wiring diagram, pointers, and frequently asked questions are all readily available here. Thesamba com gallery vw mkiv radio wiring.